GO
15d

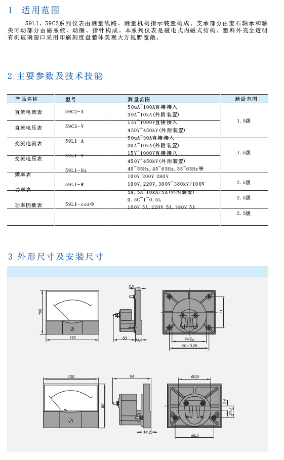
59L1、59C2系列电表

所属分类:电能表、仪器仪表

PDF File:

在线客服

JIUYOU.COM九游娱乐(中国)官网客服1

1428967121

JIUYOU.COM九游娱乐(中国)官网客服2

2281824741