GO
5d5dd

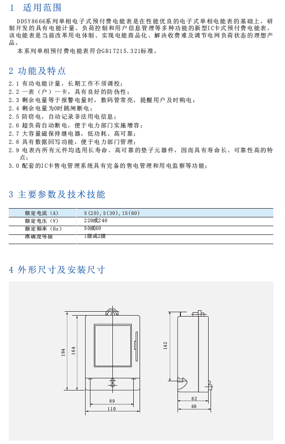
DDSY8666系列单相电子式预付费电能表

所属分类:电能表、仪器仪表

PDF File:

在线客服

JIUYOU.COM九游娱乐(中国)官网客服1

1428967121

JIUYOU.COM九游娱乐(中国)官网客服2

2281824741